1.2米單槽超聲波清洗機說明書
嚴禁無液體(水)啟動超聲波按鍵
一、應用范圍:
超聲波清洗機具有其他物理清或化學清洗的優越性,因此廣泛應用于服務行業、電子行業、醫藥行業、實驗室、機械行業、硬質合金行業、化學工業等諸多領域。
二、技術參數:
| 超聲頻率(KHz) | 28 |
| 超聲功率(W) | 6000 |
| 內槽尺寸(長*寬*高)mm | 1200*700*500 |
| 加熱功率(KW) | 5KW |
| 溫度控制(℃) | 0-100℃ |
| 排水 | 有 |
| 網籃 | 2個 |
| 液位保護 | 有 |
| 電源 | AC 220V 50KHz |
三、安裝與準備:
1.開箱后,檢查零件有無松脫。
2.機器放置在通風干燥處,***機器處于水平位置。
3.正確連接電源接線頭,***連接牢固(一定要使用接線端子,有***接地線,以***安全)。
4.按清洗所需要加入適量的清洗液。
四、清洗方法:
普通清洗使用水即可清洗。當產品較長時間未被清洗或污垢較多時,請加入適當的清洗液,可增強超聲的清洗效果。
五、功能說明:

超聲波清洗槽功能說明
電源鑰匙開關開啟表示可以開啟電源,禁止無水開啟超聲和加熱。
1.超聲啟停 超聲啟停按鍵,按下此鍵,超生波開始工作,working燈點亮;再按此鍵,超聲停止工作,working燈熄滅。
2.脫氣模式 超聲脫氣按鍵,按下此鍵,超聲波發生器開始進入脫氣工作狀態,脫氣指示燈點亮;再按此鍵,脫氣停止工作,脫氣指示燈熄滅。脫氣啟動時,功率調節無效。
3.+鍵 按下此鍵,如果在溫度模式,則設定溫度增加;如在計時模式,則超聲波工作時間增加;如在功率模式,則超聲波功率百分比增加。長按此鍵三秒,可以進入通訊發生器數量的設置,本機控制發生器的地址為A1-A6。例如當設定為A5時,該控制器可以同時控制5臺發生器的工作。
4.-鍵 按下此鍵,如果在溫度模式,則設定加熱溫度減??;如在計時模式,則超聲波工作時間減少;如在功率模式,則超聲波功率百分比減小。
5.加熱鍵 清洗槽加熱啟停按鍵,按下此鍵,清洗槽加熱開啟,加熱指示燈閃爍,清洗槽開始加熱(當清洗槽內的溫度大于或等于設定溫度時,加熱指示燈常亮,清洗槽不加熱);再按此鍵,加熱指示燈熄滅 ,加熱停止工作。
6.功率鍵 按下此鍵,功率百分比顯示數碼管閃爍,進入功率百分比設定模式,再按此鍵,退出該模式。功率百分比0-***。
7.時間鍵 按下此鍵,時間指示燈閃爍,進入時間設定模式,長按此鍵3秒,進入時間-H設定(默認設置為min設定),再按此鍵,退出該模式。小時模式時間范圍9H59MIN ;分鐘模式時間范圍為59MIN59S。
8.溫度鍵 按下此鍵,進入溫度設定模式,閃爍時的溫度數值為設定的溫度,再按此鍵,退出該模式,常亮時該數碼管顯示當前實際溫度,另外,當出現通訊故障報警時,按下此鍵可以解除報警。設定溫度范圍0-100度。
9. 當控制板與超聲波發生器通訊出現故障,或者清洗槽內無水啟動加熱.超聲時,該LED燈閃爍,同時蜂鳴器發出報警聲,功率百分比顯示數碼管顯示報警故障代碼,故障代碼如下:
| 故障代碼 | 故障原因 | |
| 1 | AL-1 | 缺水報警 |
| 2 | E-10 | 地址1的發生器通訊故障 |
| 3 | E-20 | 地址2的發生器通訊故障 |
| 4 | E-30 | 地址3的發生器通訊故障 |
| 5 | E-40 | 地址3的發生器通訊故障 |
| 6 | E-50 | 地址5的發生器通訊故障 |
| 7 | E-60 | 地址6的發生器通訊故障 |
六、操作過程:
1.開始工作:
① 正確連接電源。
② 在清洗槽內部及加入液體,液體***低***超過液位浮球開關。
③ 鈕轉電源開關指示燈亮起,再按下超聲按鍵,超聲波開始工作;再按下加熱按鍵,加熱開始工作,溫度在40℃-60℃超聲***佳。
2.停止工作:
① 按下超聲開關,超聲停止;按下加熱按鍵,加熱停住工作。
② 斷開整機電源,待清洗液冷卻至40℃以下后,倒掉清洗液,用干凈抹布對槽體及外圍進行清潔保養。
③ 將產品放置于陰涼干燥的地方保存以備下次使用。
七、注意事項:
1.超聲波正常運行時,應聽得到超聲波掃頻與槽體諧振的均勻聲音,且清洗液表面無激蕩,只有空穴爆炸引起的水花,如果有間斷性振蕩,請加入或減少些清洗液。消除振蕩有利于清洗物件。
2.絕不能使用易燃清洗液。
3.當清洗槽內無清洗液時,絕不能開啟超聲波和加熱器。
4.防止清洗液和水濺入機箱內和振子上。清洗液濺到振子上將會造成機器漏電和短路,同時會造成振子中的陶瓷片燒壞。
5.如有異物落入槽底應立即取出。
6.換液或排液時,應在槽中的清洗液為常溫的情況下操作,且關掉電源。
7.使用后應清洗和清除槽中的污垢。
8.保持機器外表的清潔。
當機器損壞或超聲減弱時,可能就是以上原因,請立即停止操作并聯系維修人員
|
|
在清洗的過程中,任何不牢固的鑲嵌物都可能會松脫。 請勿將布制品、皮革制品、木制品等容易褪色的制品放入本機清洗 |
|
請勿將手機及不防水的手表放入本機清洗。 請勿將貝殼、玳瑁類制作的鏡架或工藝品放入本機清洗。 |
八、售后服務***:
1.供方提供由購買日期起 12 個月免費保修服務。
2.保修期內人工費、材料費全免。
3.售后服務工程師接到貴司故障通知后2個工作小時內作出售后處理。
4.配件供應充足,24小時供應。
5.供方提供返廠保修/維修服務于電話咨詢技術幫助。
6.以下情況不在保修之列,但可提供收費維修:
7.人為因素造成的損壞,包括非正常工作環境下使用,不按使用說明書調試使用所引起的損壞等。
8.用戶自行改裝、拆機的。
9.不可抗力(如水災、火災、地震、雷擊等自然因素)造成損壞。
10.售后服務熱線:楊工:15050692978
當機器損壞或超聲減弱時,可能就是以上原因,請立即停止操作并聯系維修人員
|
|
在清洗的過程中,任何不牢固的鑲嵌物都可能會松脫。 請勿將布制品、皮革制品、木制品等容易褪色的制品放入本機清洗 |
|
請勿將手機及不防水的手表放入本機清洗。 請勿將貝殼、玳瑁類制作的鏡架或工藝品放入本機清洗。 |
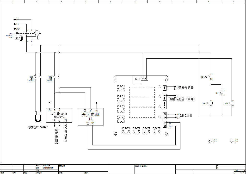
九、電氣接線原理圖:

十、售后服務***:
7.供方提供由購買日期起 12 個月免費保修服務。
8.保修期內人工費、材料費全免。
9.售后服務工程師接到貴司故障通知后2個工作小時內作出售后處理。
10.配件供應充足,24小時供應。
11.供方提供返廠保修/維修服務于電話咨詢技術幫助。
12.以下情況不在保修之列,但可提供收費維修:
1)人為因素造成的損壞,包括非正常工作環境下使用,不按使用說明書調試使用所引起的損壞等。
2)用戶自行改裝、拆機的。
3)不可抗力(如水災、火災、地震、雷擊等自然因素)造成損壞。
產品圖片


了解更多超聲波清洗設備的案例和方案,歡迎致電美芮爾全國服務熱線:400-050-7177,專業的工程師為您一一解答
- 上一篇:700E系列超聲波發生器說明書
- 下一篇:升降超聲波清洗機說明書

